WHATSAPP

ÜRÜNLER

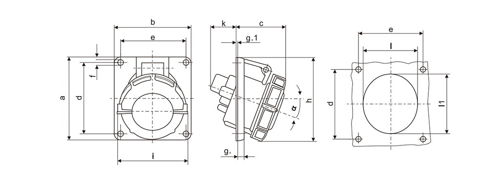
MAKİNE PRİZ

   SERİ NO:  ST38050016MP - ST38050032MP - ST38050063MP - ST38050125MP - ST38050160MP  

       TEKNİK ÖZELLİK

  • AMPER :                     16A-32A-63A-125A-160A
  • KUTUP :                      3P+E+N
  • GÖVDE MATERYAL : POLYAMİD
  • VOLT ARALIĞI :         380V-450V
  • IP SINIFI :                   IP67
  • HERTZ :                      50-60HZ.

 

        UYGULAMA ALANLARI

  • TÜNEL İNŞAATLARI
  • MADENCİLİK
  • LİMANLAR
  • AĞIR SANAYİ
  • MARİN
  • ŞANTİYE ALANLARI

AMPER

16A

32A

63A

125A-160A

STANDART

3

4

5

3

4

5

3

4

5

3

4

5

a

73.5

100

100

100

100

100

110

110

110

114

114

114

b

64

92

92

92

92

92

106

106

106

110

110

110

c

52

59

62

64

64

64

83

83

83

75

75

75

d

60

85

85

85

85

85

85

85

85

90

90

90

e

52

77

77

77

77

77

77

77

77

90

90

90

f

5.3

5.3

5.3

5.5

5.5

5.5

6.5

6.5

6.5

6.2

6.2

6.2

g.

7

8

8

8

8

8

12

12

12

13

13

13

g.1

2

2

2

2

2

2

2

2

2

2

2

2

h

84

103

105

109

109

113

115

115

115

125

125

125

i

78

85

96

103

103

110

117

117

117

135

135

135

k

46

32

33

55

55

48

90

90

90

100

100

100

l

55

70

70

73

73

76

99

99

99

107

107

107

l1

65

80

80

85

85

88

62

62

62

98

98

98

α

20 °

20 °

20 °

20 °

20 °

20 °

20 °

20 °

20 °

15 °

15 °

15 °

T

 

 

 

 

 

 

3

3

3

 

 

 

İletken kesit alanı (mm²)Min.To Max

 

1.5-2.5

4-6

10-16

25-35 / 50

DESTEK HATTI

0506 559 90 24